아하
  • 토픽

  • 스파링

  • 잉크

  • 미션


역대급도움을주는불가사리

역대급도움을주는불가사리

25.11.15

오토캐드 상대극좌표 질문드려요 !!

기초캐드 - 상대극좌표 파트 공부중인데 해당부분 어떻게 구하는 지 궁금해요

설멍 부탁드립니다 ㅠㅠ

상대극좌표로 구하는거 맞나요

2개의 답변이 있어요!

  • 서종현 전문가

    서종현 전문가

    풍강 생산기술 및 공무팀

    25.11.27

    안녕하세요. 서종현 전문가입니다.

    오토캐드에서 상대극좌표는 기준점으로부터 거리와 각도를 이용해 특정 점의 위치를 지정하는 방법입니다.

    기초 개념은 다음과 같습니다.

    • 기준점에서 시작해 이동하려는 점까지의 직선 거리와 그 직선이 기준선(통상x축 양방향)에서 이루는 각도를 사용합니다.

    • 상대극좌표 표기는 보통 @거리<각도 형식입니다. 예를들어 @100<30은 현재 점에서 100단위 거리 방향으로 30도 각도로 이동한 점입니다.

    • 이는 직교좌표계(x,y)의 복잡한 계산 없이 각도와 거리만 알면 쉽게 점 위치를 지정할 수 있다는 장점이있습니다.

    • 따라서 도면 해석시 해당 파트를 구할때도 이 표현을 사용하면 맞습니다.

    직접 계산법은 다음과 같이 이해하시면 됩니다.

    • x이동 거리 = 거리 x cos(θ)

    • y이동 거리 = 거리 x sin(θ)

    이동한 점의 좌표는 현재 점 좌표에 각각 더해집니다.

    즉, 상대극좌표는 기준점부터 이동할 거리와 방향을 명확하게 표현하는 올바른 방법입니다. 기초 공부하시는 중이라면 각도와 거리를 알고 있을때 직교좌표 변환하는 과정을 익히면 더욱 이해가 쉽습니다

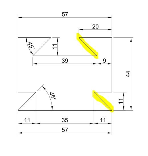
  • 안녕하세요. 조일현 전문가입니다.

    노란색 부분도 상대 극좌표로 그릴 수 있습니다.

    기본적으로 상대 극좌표는 @거리<각도 로 표현합니다.

    첫번째 별 그림의 노란색 거리는 150으로 주어졌고 양축을 기준으로 반시계 방향으로 90도에서 36도를 더합니다.

    따라서 상대 극좌표는 @거리(150)<각도(126)이 됩니다.

    두번째 그림은 우측 하단 기준으로 가로 세로 11로 주어져 빗변을 이루고 있으니 피라타고라스 정리를 통해 거리를 구할 수 있으며 각도는 45도로 주어졌습니다. 따라서 @거리(15.556)<각도(45)로 주어지겠습니다.